- Що таке регістр: Поглиблене дослідження
- Визначення та основи: Що таке регістр?
- Типи регістрів у цифровій техніці
- Архітектура регістрів
- Компоненти регістру
- Роль регістрів у комп’ютерах
- Взаємодія з центральним процесором
- Полегшення обробки даних
- Види регістрів залежно від функцій
- Ефективність використання регістрів
- Швидкість роботи
- Зниження енергоспоживання
- Заключення: Що таке регістр та його значення
Що таке регістр: Поглиблене дослідження
У сучасному цифровому світі важливо розуміти, що таке регістр і яка його роль у функціонуванні комп’ютерних та інших електронних систем. Регістр у техніці є суттєвим компонентом, який допомагає забезпечувати швидкодію і ефективність обчислень. У цій статті ми розглянемо різні аспекти цієї ключової теми.
Визначення та основи: Що таке регістр?
Регістр – це пристрій, що використовується в комп’ютерах та інших цифрових пристроях для зберігання двійкових даних. Він служить проміжним сховищем, яке може швидко передавати дані для обробки центральним процесором (ЦП). В основі цього пристрою лежать три основні операції: запис даних, зберігання і виведення.
Типи регістрів у цифровій техніці
Розглянемо основні типи регістрів, на які поділяються ці пристрої:
- Акумулятори: Зберігають результати арифметичних та логічних операцій.
- Лічильники адрес: Зберігають адреси наступних команд, які процесор має виконати.
- Буферні регістри: Використовуються для тимчасового зберігання даних у процесі передачі між компонентами системи.
- Регістри загального призначення: Використовуються різними програмами та можуть зберігати всі види даних.
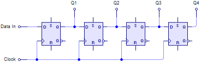
Архітектура регістрів
Кожен регістр складається з комірок пам’яті, які мають здатність зберігати біти – базові одиниці даних у комп’ютерах.
Компоненти регістру
Основними компонентами регістру є:
- Фліп-флоп: Базова електронна схема, яка може зберігати один біт інформації.
- Мультиплексори: Пристрої, які допомагають в управлінні потоком даних між регістрами і зовнішніми інтерфейсами.
- Декодери: Виконують функції адресації для доступу до певного регістру в потрібний момент.
Роль регістрів у комп’ютерах
Розглянемо детальніше, як регістри впливають на роботу комп’ютерів:
Взаємодія з центральним процесором
Регістр працює в тісній взаємодії із центральним процесором, забезпечуючи швидкий доступ до збережених даних, необхідних для обчислень та виконання завдань. Це суттєво скорочує загальний час виконання програм.
Полегшення обробки даних
Завдяки здатності до швидкого читання і запису інформації, регістри можуть ефективно зменшувати час простою процесора. Це оптимізує обробку даних та підвищує ефективність всієї системи.
Види регістрів залежно від функцій
| Тип регістру | Функція |
|---|---|
| Акумулятор | Обробка арифметичних та логічних операцій. |
| Лічильник команд | Зберігання адреси наступної команди для виконання. |
| Буферний регістр | Тимчасове зберігання даних для передачі. |
| Регістр стану | Зберігання флагів стану процесора. |
Ефективність використання регістрів
Регістри дозволяють підвищити загальну продуктивність комп’ютерних систем шляхом зменшення затримок при доступі до оперативної пам’яті та використання механізмів кешування.
Швидкість роботи
Оскільки регістри обробляють дані набагато швидше, ніж оперативна пам’ять, це дозволяє ЦП виконувати більше інструкцій за короткий проміжок часу.
Зниження енергоспоживання
Зменшення кількості звернень до більш повільної пам’яті знижує енергоспоживання, що є важливим фактором для мобільних пристроїв.
Заключення: Що таке регістр та його значення
Тепер, коли ми розглянули, що таке регістр, можна зробити висновок, що цей компонент є критично важливим для забезпечення ефективності та швидкодії комп’ютерних систем. Різні види регістрів мають свою унікальну функціональність, яка спрямована на оптимізацію виконання завдань, що стоять перед комп’ютерами та іншими електронними пристроями.







